We use cookies to make your experience better. To comply with the new e-Privacy directive, we need to ask for your consent to set the cookies. Learn more.
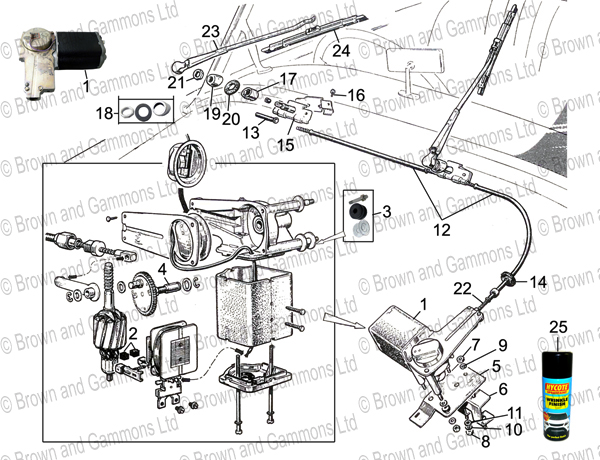
Windscreen wipers

Item No.
Part No & Description
Qty per car
Need help or advice?
Contact our customer support team





























