JavaScript seems to be disabled in your browser. For the best experience on our site, be sure to turn on Javascript in your browser.
We use cookies to make your experience better. To comply with the new e-Privacy directive, we need to ask for your consent to set the cookies. Learn more.
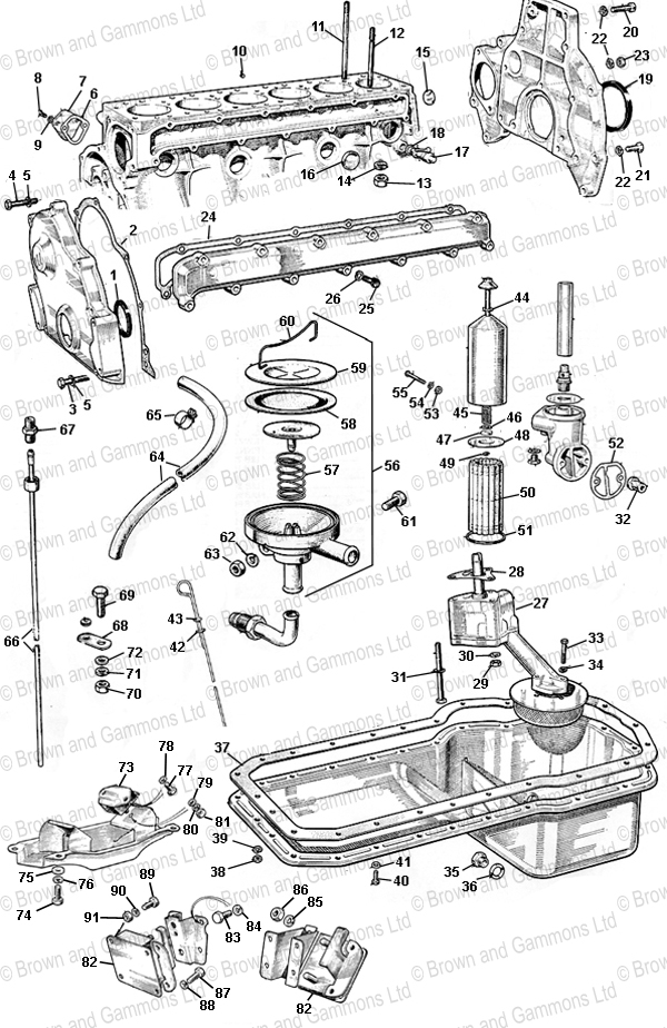
Cylinder Head
Engine Controls
Engine External. Oil System & Mounts
Engine Internal
Oil Cooler. Pipes & Fittings